Производство сервоприводов (новая упаковка)
Сервопривод на базе шагового двигателя с преобразователем частоты и контроллером является одной из разработок компании Сервотехника (с 2006 года). (сокращенно СПШ) – это высокопроизводительный сервопривод с векторным управлением по скорости и моменту.
Сервопривод предназначен для выполнения высокоточного перемещения полезной нагрузки, используя обратные связи по позиции, токам в обмотках двигателя, напряжению питания привода и температуре. Сервопривод оснащен аналоговыми и цифровыми входами и выходами, расположенными на корпусе. Функционал сервопривода позволяет выполнять управляемое движение автономно, без управления от внешнего контроллера движением.
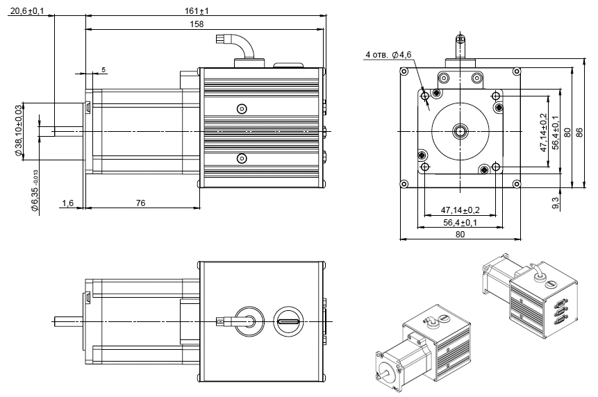
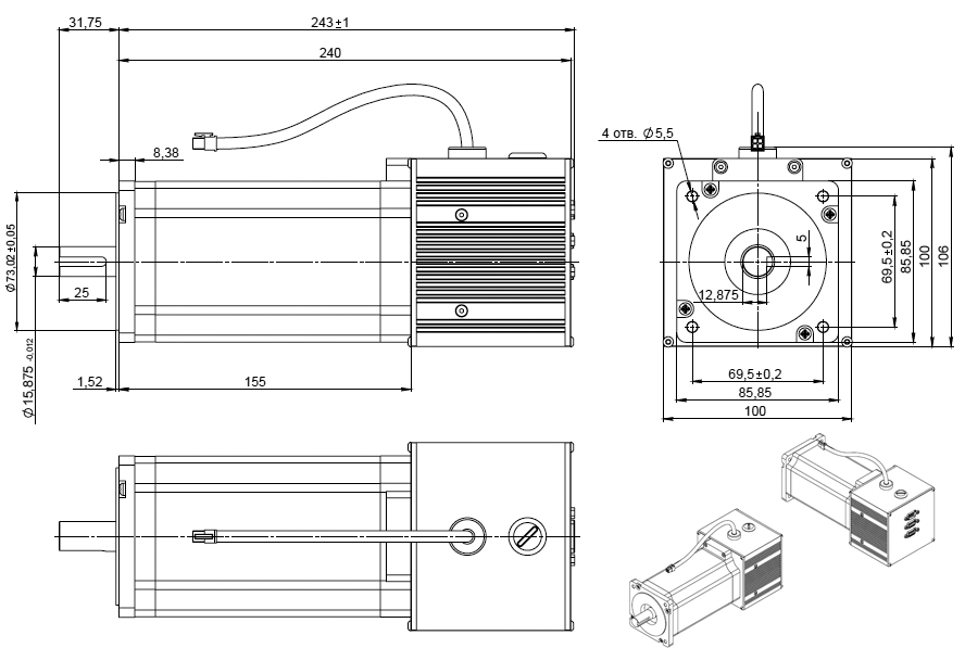
Сервопривод СПШ - это электромотор и силовой блок с контроллером управления в одном корпусе из алюминия. С точки зрения габаритных размеров, сервоприводы СПШ - это изделия прямоугольной формы, проявленные в основном двумя типовыми размерами (размеры модели сервопривода СПШ20-34080/2000-Z находятся внутри диапазона габаритных размеров младшей и старшей модели). Чертежи сервоприводов приведены ниже.
Чертежи и габариты сервоприводов СПШ:
Сервоприводы серии xx23 - размеры и габариты

Сервоприводы серии xx34 - размеры и габариты

Специальное для программирования сервопривода можно бесплатно загрузить с сайта-разработчика - компании Сервотехника.
Производство сервопривода
СПШ разработан российскими инженерами и собирается (производится) на собственной производственной базе в Москве. Надо отметить, что в составе сервопривода встречаются узлы, которые закупаются не в России, однако схема, печатная плата, программное обеспечение, корпус, само сборочное производство, тестирование и настройка, комплектование и упаковка - осуществляются в России на базе собственного производства. Выпускается несколько моделей сервоприводов СПШ:
СПШ20-23017/2000-Z
СПШ20-34080/2000-Z
СПШ20-34100/2000-Z
На данное время это самые востребованные модели российских сервоприводов на нашем внутреннем рынке промышленной автоматизации.
Новые разработки сервоприводов
Сервоприводы могут изготавливаться по индивидуальным требованиям заказчиков. Имея потребность в реализации нестандартных проектов, крупные партии (от 500 штук и более) или же, небольшие партии, но с учетом затрат на производство сервоприводов с особыми техническими характеристиками (ТТХ), могут быть изготовлены в особом исполнении – например, во влагозащищенном исполнении. Также, к примеру, по техническому заданию одного из наших крупных заказчиков, ведутся разработки более мощной модели сервопривода с увеличенным крутящим моментом. Возможно исполнение любых других вариантов сервоприводов на базе технического задания (ТЗ) заказчиков для крупных партий (условия обсуждаются отдельно).
Блоки питания для сервоприводов
Сервоприводы могут поставляться с блоками питания, которые также разработаны в компании Сервотехника и представлены на данный момент двумя моделями:
- БП30-23 - для компактных моделей сервоприводов СПШ20-23017/2000-Z
- БП30-34 - для более мощных моделей сервоприводов СПШ20-34080/2000-Z и СПШ20-34100/2000-Z
Более подробно о Сервоприводе СПШ и его производстве можно узнать, перейдя по данной ссылке:
Упаковка сервоприводов
Начиная с мая 2022, сервоприводы СПШ получили новую надежную 5-слойную упаковку. Упаковка - это важная часть продукта, призванная сохранять качество и полезные свойства товара во время транспортировки и хранения товара. Это важно, так как сервоприводы СПШ транспортируются и доставляются во все регионы Российской Федерации, а это, порой, достаточно большие расстояния и жесткие условия для транспортировочной упаковки.
Транспортировочные короба, изготовленные специально по заказу производителя, компании Сервотехника, производятся как и сам сервопривод - в России. В процессе разработки упаковки было поставлено одновременно несколько задач:
- Получить упаковку, способную выдерживать механические нагрузки и не разрушаться при весе содержимого до 8 килограмм
- Иметь универсальный размер для всего модельного ряда производимых сервоприводов и всех типов блоков питания
- Иметь минимальные габариты транспортировочного короба (для снижения затрат на логистику)
Отдел маркетинга и рекламы с успехом выполнил данную задачу. Были учтены все возможные комплектные размеры производимых изделий и комплектаций, таким образом, чтобы выступающие внутренние части изделий, например: вал сервопривода или жестяное основание трансформаторов, не повреждались во время транспортировки и, вместе с тем, не повреждали стенки короба. Учитывая вес изделий до 8 килограмм, это не простая задача.
Процесс разработки универсальной упаковки для сервоприводов и блоков питания занял один рабочий день. В результате был выявлен универсальный размер упаковки, отвечающий всем функциональным требованиям, поставленным перед новой упаковкой.
Были произведены конкурсные торги на выявление наилучшего производителя/поставщика для изготовления транспортировочных коробов для сервоприводов. Производство коробов было осуществлено за 14 дней и доставлено в офис компании Сервотехника.
Входной контроль качества определил соответствие изготовленных коробов, требованиям и свойствам, предъявляемым в качестве основных задач для упаковки: выдерживать вес до 8 килограмм, иметь универсальные габариты для всего ассортимента сервоприводов и блоков питания, а также иметь минимально-возможные габариты для снижения затрат на логистику.
Каждое изделие сервопривода СПШ имеет свой индивидуальный упаковочный короб. Маркировка на внешней стороне короба содержит следующую информацию: наименование изделия, модель, основные технические характеристики для точной идентификации изделия. Кроме того, на коробе содержится индивидуальный серийный номер, который присваивается каждому изделию при тестировании и настройке. Это позволяет предметно распределить заказанную продукцию для каждого клиента при продаже. Каждый менеджер точно знает и может проследить какие именно изделия отгружены и какому клиенту - это бывает важным в случаях изготовления продукции с особыми техническими характеристиками, или специальным исполнением.
Производственная система контроля качества учитывает данные особенности маркировки продукции (индивидуально по серийному номеру с момента тестирования изделия).
Кроме транспортировочных символов и адреса производителя, на коробе присутствует QR-код, который позволяет быстро перейти на сайт компании производителя, используя мобильное устройство с автоматическим распознаванием QR-кода. Таким образом маркировка короба сервоприводов отвечает всем требованиям, которые предъявляются для данного типа продукции на территории России.
Первая партия сервоприводов и блоков питания к ним, была произведена, протестирована, укомплектована и упакована в новые транспортировочные короба 20 мая 2022 г. Новая упаковка Сервоприводов СПШ полностью оправдала предъявленные изначально требования. Сервоприводы надежно упакованы, вместе с тем, отлично защищены во время транспортировки. Заказчики по достоинству оценят качество и полезные свойства Сервоприводов СПШ, сохраняемые новой надежной упаковкой.
Сервоприводы СПШ - более подробно:
О компании Сервотехника
Компания Сервотехника одна из старейших инжиниринговых компаний на российском рынке. В сферу интересов компании входит множество направлений деятельности из различных отраслей промышленности. Кроме того, Сервотехника постоянно привносит новые идеи и начинания в процессы своей работы.
Мы стремимся быть интересными для своих клиентов и опережающими для конкурентов, предлагая новые сервисы и условия работы.
К примеру, мы одна из немногих российских компаний, которая обладает собственным производственным парком ЧПУ станков в Подмосковье, обеспечивая полный производственный цикл для создания высокотехнологичных изделий для автоматизации промышленных предприятий: модули линейных перемещений, интегрированные сервоприводы, муфты, и пр. На нашем производственном предприятии изготавливаются технологически сложные, высокоточные изделия для решения широкого круга задач по автоматизации процессов.
Мы одни из первых привели на российский рынок ведущих европейских производителей высокоточных редукторов, сервоприводов, энкодеров, и пр.
Кроме того, мы осуществляем разработку и изготовление сложных нестандартных изделий через НИОКР на собственном производстве полного цикла.
Купить комплектующие для высокоточных исполнительных устройств и автоматизации производственных линий можно в Сервотехнике
Кроме того, компания Сервотехника, имеет значительный опыт поставок комплектующих и узлов для высокоточных механических устройств, используемых в медицине на производственных, сборочных, фасовочных и маркировочных линиях. Являясь официальными дилерами множества европейских производителей, мы всегда можем предложить:
, , в спец исполнении для особо чистых помещений и многое другое.
Более того, компания Сервотехника имеет собственное производство, способное осуществить модификации существующего промышленного и лабораторного оборудования, учитывая индивидуальные требования заказчиков.
Готовы предложить и другую полезную номенклатуру товаров в области промышленных комплектующих и узлов для автоматизации производств.
Вы можете в любое удобное для Вас время – для этого необходимо просто описать стоящие перед Вами задачи, или выслать ТЗ, и наши специалисты осуществят подбор необходимых комплектующих под Ваш заказ, произведут необходимые консультации и расчёты, чтобы предложить Вам наиболее подходящие решения.
Больше полезной информации и новостей:
Сайт компании Сервотехника
Яндекс Дзен Сервотехники - новости и полезная информация
В Контакте - информация о новинках и продукции Другие новости
Нужна консультация?
Свяжитесь с нами для получения дополнительной информации или консультации с инженером.
Полный цикл инжиниринговых работ
От технического задания до запуска в производство
Предпроектная подготовка
- Анализ технического задания заказчика
- Экспертная оценка возможности реализации
- Этап эскизного проектирования
- Согласование технических параметров
- Подготовка ТКП
Конструкторская подготовка
- Создание 3D-моделей оборудования
- Разработка конструкторской документации
- Выполнение необходимых расчетов
- Подготовка технологических процессов
Изготовление оборудования
- Закупка комплектующих и материалов
- Механическая обработка деталей
- Сборка узлов и агрегатов
- Проведение испытаний и тестирования
